Particle Identification Test Rig

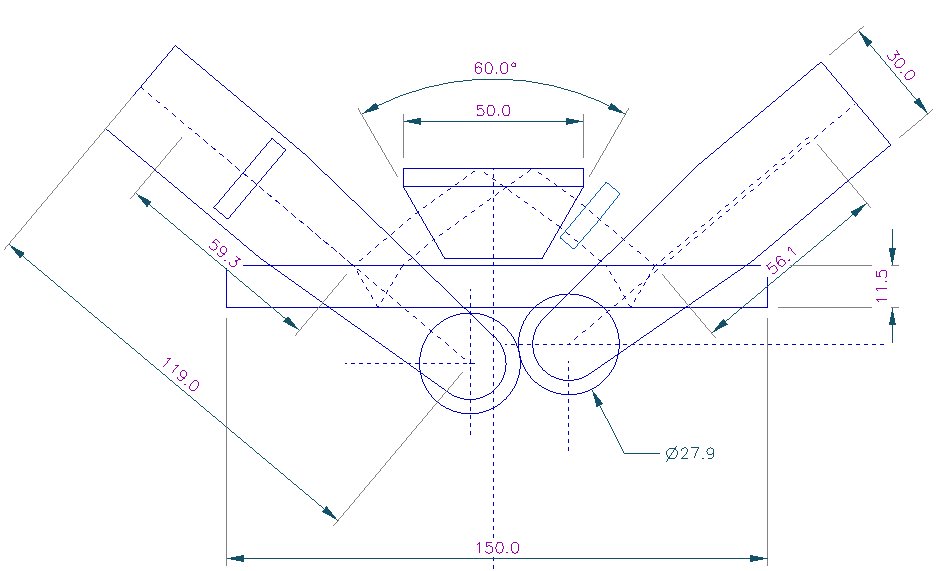
This is a prototype unit used for drug discovery. a coherent beam from a laser diode is split into 2 parallel beams and passed through two elements of a sample before being recombined into a single beam and focused onto a detector.


spr1

spr2

spr3


  • Back to Machine Concepts Homepage
  • Back to mike Nelson's Homepage
  • This site is created and maintained by Mike Nelson

    © 2009 mike.nelson@machineconcepts.co.uk